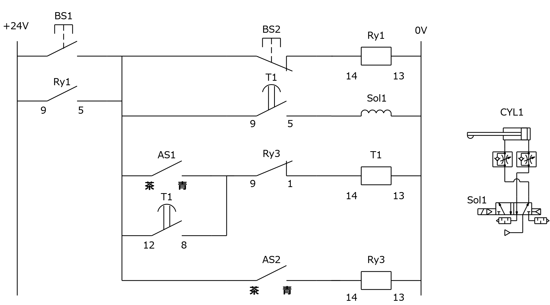
ソレノイドバルブ編 STEP 6 解説編 前の動画 次の動画 回路図 配線リスト 順番 From To 順番 From To 1 DC24V+ BS1 の COM 11 CYL1 の 1青 Ry3 の 9 2 BS1 の NO BS2 の COM 12 Ry3 の 1 T1 の 14 3 BS2 の NC Ry1 の 14 13 T1 の 13 Ry3 の 13 4 Ry1 の 13 DC24V- 14 CYL1 の 1茶 T1 の 12 5 DC24V+ Ry1 の 9 15 T1 の 8 Ry3 の 9 6 Ry1 の 5 BS2 の COM 16 T1 の 12 CYL1 の 2茶 7 Ry1 の 5 T1 の 9 17 CYL1 の 2青 Ry3 の 14 8 T1 の 5 Sol1 の 赤+ 18 Ry3 の 13 DC24V- 9 Sol1 の 黒- T1 の 13 10 T1 の 9 CYL1 の 1茶 ポイント このソリッドステートタイマは4cタイプ(c接点が4つ)でタイマーの設定時間は0.5~10秒になっています。 コメント オールエア回路編 はじめに オールエア回路編 STEP 1 オールエア回路編 STEP 1 解説編 オールエア回路編 STEP 2 オールエア回路編 STEP 2 解説編 オールエア回路編 STEP 3 オールエア回路編 STEP 3 解説編 オールエア回路編 STEP 4 オールエア回路編 STEP 4 解説編 オールエア回路編 STEP 5 オールエア回路編 STEP 5 解説編 オールエア回路編 STEP 6 オールエア回路編 STEP 6 解説編 ソレノイドバルブ編 ソレノイドバルブ編 STEP 1 ソレノイドバルブ編 STEP 1 解説編 ソレノイドバルブ編 STEP 2 ソレノイドバルブ編 STEP 2 解説編 ソレノイドバルブ編 STEP 3 ソレノイドバルブ編 STEP 3 解説編 ソレノイドバルブ編 STEP 4 ソレノイドバルブ編 STEP 4 解説編 ソレノイドバルブ編 STEP 5 ソレノイドバルブ編 STEP 5 解説編 ソレノイドバルブ編 STEP 6 ソレノイドバルブ編 STEP 6 解説編 ソレノイドバルブ編 STEP 7 ソレノイドバルブ編 STEP 7 解説編 ソレノイドバルブ編 STEP 8 ソレノイドバルブ編 STEP 8 解説編
回路図
配線リスト
ポイント
このソリッドステートタイマは4cタイプ(c接点が4つ)でタイマーの設定時間は0.5~10秒になっています。
コメント