メインコンテンツに移動
ホーム

User account menu

  • ログイン

Main navigation

  • 講座動画一覧
  • 料金
  • お問い合わせ
  • FAQ
  •  
  1. 実習で学ぶ!空気圧制御
  2. オールエア回路編 STEP 3 解説編

Primary tabs

  • ビュー(アクティブなタブ)
  • 結果
オールエア回路編 STEP 3 解説編
free
前の動画
次の動画

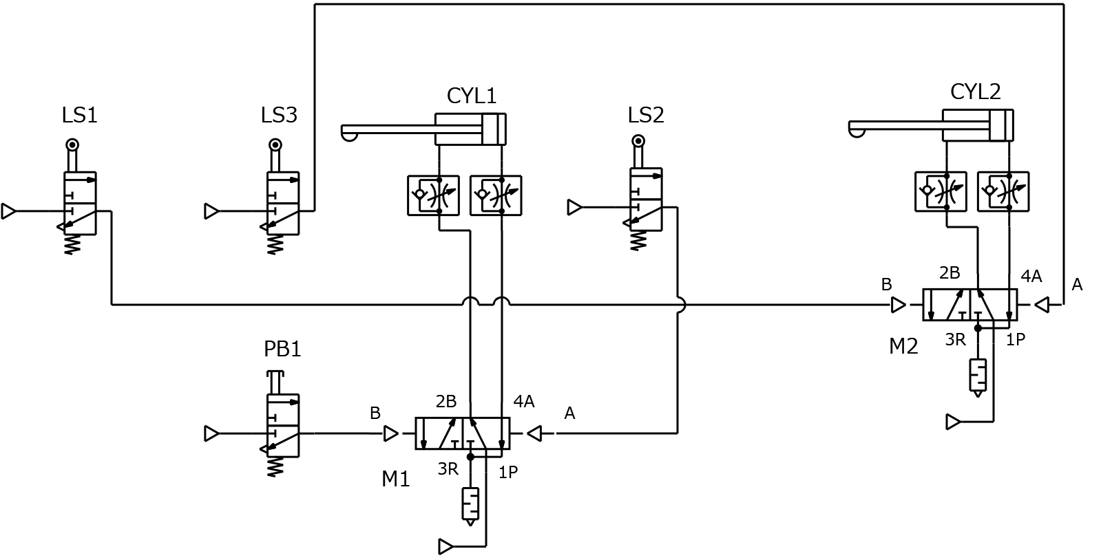
JIS 回路図例

回路図

ポイント

各ローラレバーがどのエアオペレートバルブを切り替えればよいか、時系列を追って整理していきましょう。

コメント

オールエア回路編
はじめに
オールエア回路編 STEP 1
オールエア回路編 STEP 1 解説編
オールエア回路編 STEP 2
オールエア回路編 STEP 2 解説編
オールエア回路編 STEP 3
オールエア回路編 STEP 3 解説編
オールエア回路編 STEP 4
オールエア回路編 STEP 4 解説編
オールエア回路編 STEP 5
オールエア回路編 STEP 5 解説編
オールエア回路編 STEP 6
オールエア回路編 STEP 6 解説編
ソレノイドバルブ編
ソレノイドバルブ編 STEP 1
ソレノイドバルブ編 STEP 1 解説編
ソレノイドバルブ編 STEP 2
ソレノイドバルブ編 STEP 2 解説編
ソレノイドバルブ編 STEP 3
ソレノイドバルブ編 STEP 3 解説編
ソレノイドバルブ編 STEP 4
ソレノイドバルブ編 STEP 4 解説編
ソレノイドバルブ編 STEP 5
ソレノイドバルブ編 STEP 5 解説編
ソレノイドバルブ編 STEP 6
ソレノイドバルブ編 STEP 6 解説編
ソレノイドバルブ編 STEP 7
ソレノイドバルブ編 STEP 7 解説編
ソレノイドバルブ編 STEP 8
ソレノイドバルブ編 STEP 8 解説編

ホーム | 株式会社 ADWIN | Twitter(@ADWIN_CORP) | お問い合わせ

© 2020 ADWIN Corporation. All Rights Reserved.