2-6 特殊な図示法 premium 視聴履歴 前の動画 次の動画 展開図示 板金(薄い板)を使った部品の場合、正規の投影法でかいた図形の他に展開図を付け加えておくと、製作者には便利になります。この時は、展開図の付近に「展開図」と記入しておいてください。 回転投影図 アームが斜めに出ているような部品を正規の投影法で描くと、図がわかりにくくなります。そこで、斜めの部分を回転したものとして図示することができます。 慣用図示 図面を正確に描き過ぎると、手間がかかったりわかりにくかったりします。そんなとき、慣用図示が役立ちます。 • 面の交わり部に丸みのある場合 交わり部に丸みがある場合に、対応する図にこの丸みの部分を表す必要があるときは、次のように交わり部に丸みがない場合の交線の位置に太い実線で表す。 • 相貫線の図示 相貫体=複数の立体が互いに交わり貫通しあってできた立体 相貫線=曲面同士、または曲面と平面の交わり部分にできた線 相貫線を求めるには大変手間がかかりますが、機械製図では相貫線を必要としない場合がほとんどです。 そこでJISでは、相貫線は直線で表すか相貫線に近似させた円弧で表すことにしています。 直線で表すのは2つの円筒の直径比が大きい場合で、円弧で表すのは直径比が小さい場合です。 また、円筒と短形の角柱の交わり部の直線の変位は省略します。 • 一部が特定の形状をしている部品の図示 一部に特定の形状を持つ部品では、その部分がなるべく図の上側に来るように描きます。キーみぞを持つボス穴、管やシリンダなどの側壁にある穴またはみぞ、リングの切割りなどを図示する場合に、この描き方をします。 • 平面部の図示 面が平面であることを示す必要のある場合には、細い実線で対角線を引きます。 • ローレット・金網・しま鋼板の図示 ○ ローレット ※すべりにくくするための加工 ○ 金網 ○ しま鋼板 • 特殊加工部の表示 部品の一部に、研磨・焼き入れ(鉄を熱しその後冷やすことで、鉄をより硬くする処理)などの特殊な加工を施す場合には、その範囲を外形線に平行にわずかに離して引いた太い一点鎖線によって表示します。 図形の省略 製図の労力を省き、効率を高めるために図形を省略することがあります。 • かくれ線の省略 下図のように、かくれ線を全部描き込むと、図がかえってわかりにくくなる場合があります。かくれ線は、理解を妨げない限り省略して描いたほうがいいです。 • 中間部分の省略 同じ断面形状の部分が長いときには、中間部分を省略できます。切り取った端は、破断線で示します(例:軸、棒、管、形鋼)。 要点だけを図示する場合、破断してあることが明らかであれば、下図の形鋼の右端部のように破断線を省略することもできます。 • 切断面の先方に見える線の省略 下図はボイラのマンホールの部分をかいた図ですが、この切断面の先方に見える線は、理解を妨げないかぎり 省略するほうが適切です。 • 繰返し図形の省略 同種のリベット穴・ボルト穴・管穴・ひかえ穴・管・ひかえなど、同種同形のものが連続してたくさん並ぶ場合には、全部きっちり描く必要はありません。その要所または両端部だけを図示し、他は省略して、中心線とピッチ線の交点に図記号で示しておきます。あるいは、図記号のみで実形を省略することもできます。ただしこの場合、図記号の意味を分かりやすい位置に記述するか、引出線を用いて記述します。 図記号の意味を分かりやすい位置に記述した図 引出線を用いて記述した図 見誤るおそれがない場合には、両端部(一端は1ピッチ分)又は要点だけを実形又は図記号によって示し他はピッチ線と中心線との交点で示す。 ただし、寸法記入によって交点の位置が明らかなときには、ピッチ線に交わる中心線を省略してもよい。 なお、この場合には、繰り返し部分の数を寸法記入又は注記によって指示しなければならない。 コメント 図形の表し方 2-1 正面図の選び方 2-2 平面図、側面図などの選び方 2-3 対称図形 2-4 局部投影図と補助投影図 2-5 断面の図示 2-6 特殊な図示法 2 練習問題 その1…
展開図示
板金(薄い板)を使った部品の場合、正規の投影法でかいた図形の他に展開図を付け加えておくと、製作者には便利になります。この時は、展開図の付近に「展開図」と記入しておいてください。
回転投影図
アームが斜めに出ているような部品を正規の投影法で描くと、図がわかりにくくなります。そこで、斜めの部分を回転したものとして図示することができます。
慣用図示
図面を正確に描き過ぎると、手間がかかったりわかりにくかったりします。そんなとき、慣用図示が役立ちます。
• 面の交わり部に丸みのある場合
交わり部に丸みがある場合に、対応する図にこの丸みの部分を表す必要があるときは、次のように交わり部に丸みがない場合の交線の位置に太い実線で表す。
• 相貫線の図示
相貫体=複数の立体が互いに交わり貫通しあってできた立体
相貫線=曲面同士、または曲面と平面の交わり部分にできた線
相貫線を求めるには大変手間がかかりますが、機械製図では相貫線を必要としない場合がほとんどです。 そこでJISでは、相貫線は直線で表すか相貫線に近似させた円弧で表すことにしています。
直線で表すのは2つの円筒の直径比が大きい場合で、円弧で表すのは直径比が小さい場合です。
また、円筒と短形の角柱の交わり部の直線の変位は省略します。
• 一部が特定の形状をしている部品の図示
一部に特定の形状を持つ部品では、その部分がなるべく図の上側に来るように描きます。キーみぞを持つボス穴、管やシリンダなどの側壁にある穴またはみぞ、リングの切割りなどを図示する場合に、この描き方をします。
• 平面部の図示
面が平面であることを示す必要のある場合には、細い実線で対角線を引きます。
• ローレット・金網・しま鋼板の図示
○ ローレット
※すべりにくくするための加工
○ 金網
○ しま鋼板
• 特殊加工部の表示
部品の一部に、研磨・焼き入れ(鉄を熱しその後冷やすことで、鉄をより硬くする処理)などの特殊な加工を施す場合には、その範囲を外形線に平行にわずかに離して引いた太い一点鎖線によって表示します。
図形の省略
製図の労力を省き、効率を高めるために図形を省略することがあります。
• かくれ線の省略
下図のように、かくれ線を全部描き込むと、図がかえってわかりにくくなる場合があります。かくれ線は、理解を妨げない限り省略して描いたほうがいいです。
• 中間部分の省略
同じ断面形状の部分が長いときには、中間部分を省略できます。切り取った端は、破断線で示します(例:軸、棒、管、形鋼)。
要点だけを図示する場合、破断してあることが明らかであれば、下図の形鋼の右端部のように破断線を省略することもできます。
• 切断面の先方に見える線の省略
下図はボイラのマンホールの部分をかいた図ですが、この切断面の先方に見える線は、理解を妨げないかぎり 省略するほうが適切です。
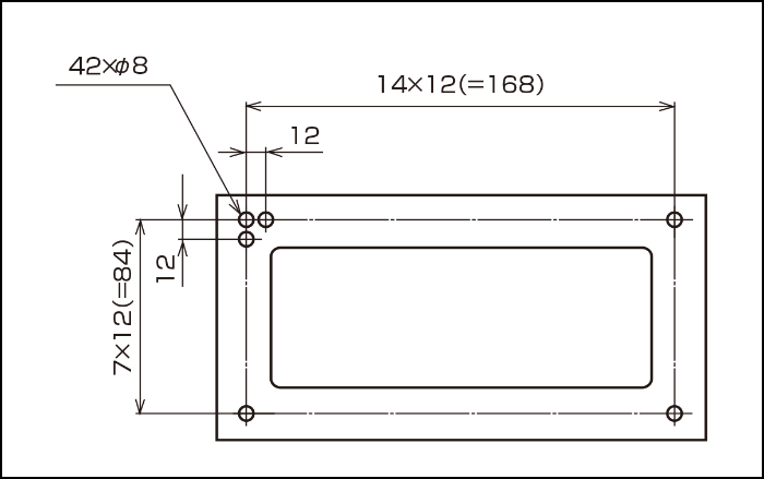
• 繰返し図形の省略
同種のリベット穴・ボルト穴・管穴・ひかえ穴・管・ひかえなど、同種同形のものが連続してたくさん並ぶ場合には、全部きっちり描く必要はありません。その要所または両端部だけを図示し、他は省略して、中心線とピッチ線の交点に図記号で示しておきます。あるいは、図記号のみで実形を省略することもできます。ただしこの場合、図記号の意味を分かりやすい位置に記述するか、引出線を用いて記述します。
図記号の意味を分かりやすい位置に記述した図
引出線を用いて記述した図
見誤るおそれがない場合には、両端部(一端は1ピッチ分)又は要点だけを実形又は図記号によって示し他はピッチ線と中心線との交点で示す。
ただし、寸法記入によって交点の位置が明らかなときには、ピッチ線に交わる中心線を省略してもよい。 なお、この場合には、繰り返し部分の数を寸法記入又は注記によって指示しなければならない。
コメント