3-1 寸法の表示 premium 視聴履歴 前の動画 次の動画 寸法表示の決まり 図面にかかれるのは、出来上がった状態での寸法です。このことをまず覚えておいてください。 ○ 長さの単位 長さの単位は、“mm(ミリメートル)”です。どんな図でも共通ですから、図中には単位記号は記入しません。他の単位を使う必要がある場合には、そのことを明示します。 ○ 角度の単位 角度の単位は、「 °(度)」「 ′(分)」「 ″(秒)」です。 例)45° 17.5° 0°15′ 8°0′52″ ○ 表示方法 小数点 … 数字の間を適当にあけて、下方に大きめに付けます。 コンマ … 桁数が多くなる場合でも、コンマは使用せず数字だけを記入します。 寸法表示の仕方 • 寸法線と寸法補助線 ①寸法線 ・実際に寸法を表す線 ・寸法を表示したい箇所に平行 ②寸法補助線 ・寸法線を補助する線 ・寸法線に垂直 ・寸法線を2〜3mm越えるところまで延ばしておく ・不要な場合には斜めに引き出すこともできるがお互いに平行にする 図形に寸法を記入するには、寸法線及び寸法補助線を用いるのが原則である。但し、寸法補助線を引き出すと図がまぎらわしくなる時は、図中に直接寸法線を引いてよい。 ○ 端末記号の描き方 端末記号には矢印と黒丸、そして斜線の3種類があります(ただし黒丸については現国際規格にはありません)。この3種類の端末記号は、1つの図面の中で混用してはいけません。矢印は図のように開いていても閉じていても塗りつぶしていてもかまいません。角度は15°~90°の任意の開き角です。 • 寸法数字の記入 方法1としては、寸法数字は次のような向きに記入します。 ・水平方向の寸法線に対して … 上向き ・垂直方向の寸法線に対して … 左向き 方法2として、寸法数字をすべて上向きにし、水平方向の寸法線は中断せず、それ以外の寸法線は中断してその間に寸法数字をはさんで記入する。 斜めの場合も、原則は同じです。図面の下側、または右側から読みやすいように記入します。ただし、垂直軸から反時計回りに30°以内の範囲は、描きにくいのでなるべく避けた方がよいでしょう。 ○ 注意 寸法数字は、外形線などの線で切り離されたり、寸法線の交わる場所に来たりしないよう、注意して下さい。 悪い例 • 狭い場所の寸法記入 溝の幅など、数字の入らないような狭いところにも寸法を書かなくてはならない場合があります。この場合の描き方には、大きく分けて4つあります。 この中から、その場に最も適当な方法を選んで使ってください。 ○ 寸法線を外側から端末記号で挟む 矢印の向きと数字の位置に注意して下さい。狭い部分が連続しているときには、矢印の代わりに黒丸または斜線を使うことができ、一方の端末記号を越えて延長した寸法線の上側に数字を配置することができます。 ○ 部分拡大図を描いて局部の寸法を示す ○ 引出線を使って寸法を記入する 引出線を寸法線から斜め方向に引き出し、寸法数値を記入するか、引出線の端を水平に折り曲げ、その上に寸法数値を記入します。この場合、引出線の引き出す側の端には何も付けません。 ○ 引出線について 加工方法、注記、部品の番号などを記入するために用いる引出線は、斜め方向に引き出す。この場合、引出線を、形状を表す線から引き出す場合には矢印を、形状を表す線の内側から引き出す場合には黒丸を、引き出した箇所に付ける。なお、注記などを記入する場合には、その端を水平に折り曲げ、その上に描く。 引出線を描くときは、次のことに注意して下さい。 円弧・曲線・穴の寸法記入 • 円弧の半径の寸法記入 ○ 寸法線は円弧の中心から引き、円弧の側だけに矢印をつける 半径の記号「R」は、寸法数字の前に数字と同じ大きさで描きます。半径を示す寸法線を円弧の中心まで引く場合は「R」を省略することもできます。なおこのとき円弧の側にだけ矢印を付け、中心の側には付けません。 ○ 半径が小さくて矢印や寸法を記入する余地がないとき 矢印や寸法を記入する余地がないときは、下図のいずれかを用います。 ○ 半径が大きくて線が引きにくいとき 中心まで線を引くのが難しい場合は、下図のように中心を円弧の近くまで移動させます。寸法線は、Z型に折り曲げて描きます。ここでも「R」を使います。このとき、寸法線の矢印のついた部分は、正しい中心 の位置に向いていなければなりません。 • 弦・円弧の長さの寸法記入 弦の長さの寸法線 … 弦に平行な直線 円弧の長さの寸法線 … 該当する円弧と中心が同じ円弧 寸法数値の前に円弧記号 … 「⌒(えんこ)」を付ける ○ 特殊な例 連続して円弧の寸法を記入するときは、円弧の中心から放射状に引いた寸法補助線 に寸法線を当ててもよい。 2つ以上の同心円弧のうち、1つの円弧の長さを明示する必要がある場合は、引きだし線で指示します。引き出された円弧の側に矢印を付けます。 円弧の長さを表す寸法数値の後に、円弧の半径を( )に入れて示します。この場合には、円弧の長さの記号(⌒)を付けてはいけません。 • 曲線の寸法記入 ○ 円弧で構成されている曲線の寸法記入 円弧で構成されている曲線の寸法は、一般には円弧の半径とその中心、または、円弧の接線の位置の組み合わせで表します。 ○ 円弧で構成されていない曲線の寸法記入 円弧で構成されていない曲線の場合は、基準線から曲線の各部までの寸法で表します。 • 穴の寸法記入 ○ 穴の加工方法を区別するとき 穴の加工方法を区別する必要がある場合には、工具の呼び寸法、または基準寸法を示し、その後加工方法の区別を加工方法の用語を規定しているJIS( 日本工業規格 )によって指示します。 ○ 主な加工方法 ○ 引出線を使って穴の寸法を表す場合 正面から見た図の場合、穴の外周から半径方向に引き出します。 断面図など横から見た図の場合、穴の中心線と外形線の交点から引き出します。 ○ 貫通しないきり穴の場合 貫通しないきり穴の場合は、穴の深さも記入します。穴の深さの指示は、穴の直径を示す寸法の次に、穴の深さを示す記号“”を記し、最後に穴の深さの数値を記入します。 ○ 穴の寸法の表し方 ざぐり又は深ざぐりの表し方は、ざぐりを付ける穴の直径を示す寸法の前に、ざぐりを示す記号“”に続けてざぐりの数値を記入します。なお、一般に平面を確保するために鋳造品、鍛造品などの表面を削り取る程度の場合でも、その深さを指示します。 また、深ざぐりの底の位置を反対側の面からの寸法を規制する必要がある場合には、その寸法線を表示してください。 皿ざぐり穴の表し方は、皿穴の直径を示す寸法の次に、皿ざぐり穴を示す記号“”に続けて、皿ざぐり穴の入り口の直径の数値を記入します。皿ざぐり穴の深さの数値を規制する要求がある場合には、皿ざぐり穴の開き角及 び皿ざぐり穴の深さの数値を記入してください。 皿ざぐり穴が円形形状で描かれている図形に皿ざぐり穴を指示する場合には、内側の円形形状から引出線を引き出して、参照線の上側に皿ざぐり穴を示す記号“”に続けて、皿穴の入り口の直径の数値を記入してください。 ○ 同一寸法の穴の総数 同じ寸法の穴がたくさん並んでいるときは、省略図示を使って簡単に表せますね。穴の直径を示す寸法数字に「×」をはさんで、総数を示す数字を記入します。 ○ 同一間隔で連続する同一寸法の穴の配置 角度・テーパ・こう配・面取りの寸法記入 • 角度の寸法記入 角度を記入する寸法線は、円弧で表します。角度を構成する2つの辺またはその延長線の交点を中心にして、両辺またはその延長線の間に引きます。 寸法数字は、下図のように記入します。必要なときには、右のように数字をすべて上向きに描くこともできます。 • テーパとこう配の寸法記入 ○ テーパ テーパとは、円柱の片側の直径が小さくなっている形状です。ちょうど、円錐の頭を切り落としたような形と思ってもらえばいいでしょう。 ○ テーパの必要性 工具などは、工作機械から取り外して別の物と交換することが必要です。そのとき、工具の中心と、はめあう相手側の中心とが、正確に一致することが肝心です。テーパを使うとそれが簡単になります。そのため、いろいろな国で独自のテーパ規格が採用されてきました。 ナショナルテーパは、フライス盤の主軸の標準としてISOでも採用されています。 ※ ISO = International Organization for Standardization(国際標準化機構) ○ テーパの指示の方法 テーパ比は、テーパをもつ形体の近くに参照線を用いて指示する。参照線は、テーパをもつ形体の中心線に平行に引き、引き出し線を用いて形体の外形線と結ぶ。 テーパ比と向きを特に明らかに示す必要がある場合には、テーパの向きを示す図記号を、テーパの方向と一致させて描く。 ○ こう配 こう配は、傾きともいい、角度がついて斜めになっている形状のことです。 ○ こう配の指示の方法 こう配はこう配をもつ形体の近くに参照線を用いて指示する。参照線は水平に引き、引出線を用いて形体の外形線と結ぶ。 こう配やテーパの向きが図か明らな場合は、図記号を省略してもいい。 こう配の向きを特に明らかに示す必要がある場合には、こう配の向きを示す図記号を、こう配の方向と一致させて描く。 • 面取りの寸法記入 品物の加工後、角の尖った部分がそのままでは取り扱うときに危険です。そこで、角を斜めに削り取る加工を行います。これが面取りです。普通、深さと角度で表しますが、いろいろな記入の方法があります。 角度が45°の場合だけは、「C」を使って記入することができます。「C」の後に深さを記入します。 もちろん面取りの寸法数値と角度45°で指示してもかまいません。 寸法記入上の注意事項 • 寸法記入の原則 ○ (1) 主投影図に集中した寸法記入 寸法は、なるべく主投影図に集中して指示するようにします。主投影図に表せない寸法を平面図や側面図などに記入します。品物の形状を最もよく表すために、必要で十分な寸法を記入します。主投影図のほかに平面図や側面図がかかれているときは、比較対照に便利なように、なるべく関連する図形の中間に寸法を記入しておきます。 ○ (2) 基準形体をもとにした寸法記入 加工や組立の時に基準となる形体がある場合には、寸法はその形体をもとにして記入します。製作者が図面を見て作業するときのためです。 基準であることを示す必要がある場合には、下図のように記入します。 並列寸法記入法では、並列に記入する個々の寸法公差は、他の寸法公差に影響を与えません。この場合、共通側の寸法補助線の位置は、機能・加工などの条件を踏まえて適切に選びます。累進寸法記入法は、寸法公差に関して、並列寸法記入法と同等の意味を持ちながら1本の連続した寸法線で簡潔に表示できます。この場合、寸法の起点の位置は、起点記号(○)で示し、寸法線の他端には矢印を記入します。寸法数値は、寸法補助線に並べて記入するか、矢印の近くに寸法線の上側に沿って描きます。 ○ (3) 加工工程を考えた寸法記入 品物の加工にいくつかの工程が必要な場合には、なるべく工程別に分けて寸法を記入します。それぞれの工程ごとに、作業する人が必要な寸法を読み取りやすいように配慮して記入します。下図の例では、旋盤加工、穴あけ加工の2工程が必要です。 ○ (4) 計算する必要がないように寸法記入する 寸法を記入するときは、作業者が必要な寸法をすぐに読み取れて計算をする必要がないようにします。下図の「悪い例」のような図面では、作業の際に溝の幅を計算しなくてはならないため、作業効率が低下してしまいます。 ○ (5) 関連する寸法記入 原則として、寸法は正面図に集中させるようにします。しかし、互いに関連する寸法は、なるべく1 箇所にまとめて記入します。下の例では、ボルト穴の中心円の直径、穴の寸法、穴の配置などは、互いに関連する寸法なので、中心円がかかれている側面図にまとめて記入します。 寸法を正面図にした図 関連する寸法をまとめた図 ○ (6) 隣り合って連続する寸法記入 寸法がいくつも隣り合って連続する場合は、寸法線はなるべく一直線にそろえます。 ○ (7) 面の交わり部に丸み・面取りのある寸法記入 互いに傾斜している2 つの面の間に丸みや面取りがあるときは、面の交わる部分を示してからでないと寸法を記入できません。 まず、丸みや面取りを施す前の形状を細い実線で表します。その交点から、寸法補助線を引き出して、寸法線、寸法数字を記入します。 交点を特に明示する必要がある場合には、黒丸か、または細線を少し余分に引いて交差させます。 ○ (8) 対称図形の寸法記入 直径の寸法が対称中心線の方向にいくつも並ぶ場合は、それぞれの寸法線をなるべく同じ間隔に引いて、小さい寸法を内側に、大きい寸法を外側にして寸法線を揃えて記入します。紙の大きさが足りないときは、寸法線の間隔を狭くして、寸法数字を対称中心線の両側に交互に記入することもできます。直径でない寸法の時も同様です。 対称図形の寸法記入 スペースが足りない場合 対称図形の片側を省略した図の場合には、寸法線は中心線を越えて適当に延長します。省略した側には、矢印はつけません。 対称図形にたくさんの直径の寸法を記入する場合には、寸法線の長さをさらに短くして、下図のように数段に分けて記入することもできます。 ○ (9) 円弧の部分の寸法記入 円弧は原則として、中心角が180°までは半径で表し、180°を越える場合は直径で表します。 円弧が180°以内であっても、機能上または加工上、特に直径の寸法を必要とするものに対しては、直径の寸法を記入します。 ○ (10) キー溝があるボスの内径の寸法記入 キー溝が断面にあらわれているボスの内径の描き方です。ここでも記号を使います。 ○ (11) 寸法の重複記入について 寸法は、重複記入を避けます。ただし、相関連する図で、図の理解を容易にする場合には、寸法の重複記入をしても構いません。この場合、1枚の図中ではなく、別葉の図面に重複寸法がある場合は、重複寸法を意味する記号について図面に下図のように注記するなどしておくと、図面の訂正の際など変更漏れを防止できます。 ○ 寸法記入の原則 主投影図に集中した寸法記入 基準形体をもとにした寸法記入 加工工程を考えた寸法記入 計算の必要がない寸法記入 関連する寸法記入 隣り合って連続する寸法記入 面の交わり部に丸み・面取りのある寸法記入 対称図形の寸法記入 円弧の部分の寸法記入 キー溝があるボスの内径の寸法記入 寸法の重複記入について どれも、図面を描きやすく解りやすくするための工夫や約束事です。ゆっくり身に付けてください。 • 特殊な寸法記入 ○ 記号文字を用いる寸法記入 この例のように、基本的な形は同じで一部分の寸法だけが異なる場合には、寸法数字のかわりに記号文字を用いて、その数値を別に表示することもできます。 一つの部品で、形体の寸法が異なる場合には、下図のように文字記号を用いて指示し、個々の文字記号の寸法数値を図面中に指示することができます。 下図は基準箇所をもとにして穴の位置および直径を示したものですが、ごみごみしています。これを、記号文字と表を使って簡単に表すことができます。 座標による寸法記入(簡単な図) 設計変更などで、図面の一部の寸法数字が図と一致しない場合があります。このときには、寸法数字の下に太い実線を引いて、一致していないことを示します。ただし図の一部を省略してあるときには、一致していないことが解っていますので、この線は必要ありません。 寸法数字が図と一致しない寸法記入 このような特殊な方法も、描きやすく、解りやすくするため、という点では原則と同じです。 コメント 製作図 3-1 寸法の表示 3-1 練習問題 その1… 3-2 表面性状の指示 3-2 練習問題 その2… 3-3 寸法公差 3-4 はめあい 3-4 練習問題 その3… 3-5 幾何公差 3-6 図面の書式
寸法表示の決まり
図面にかかれるのは、出来上がった状態での寸法です。このことをまず覚えておいてください。
○ 長さの単位
長さの単位は、“mm(ミリメートル)”です。どんな図でも共通ですから、図中には単位記号は記入しません。他の単位を使う必要がある場合には、そのことを明示します。
○ 角度の単位
角度の単位は、「 °(度)」「 ′(分)」「 ″(秒)」です。
例)45° 17.5° 0°15′ 8°0′52″
○ 表示方法
小数点 … 数字の間を適当にあけて、下方に大きめに付けます。
コンマ … 桁数が多くなる場合でも、コンマは使用せず数字だけを記入します。
寸法表示の仕方
• 寸法線と寸法補助線
①寸法線
・実際に寸法を表す線
・寸法を表示したい箇所に平行
②寸法補助線
・寸法線を補助する線
・寸法線に垂直
・寸法線を2〜3mm越えるところまで延ばしておく
・不要な場合には斜めに引き出すこともできるがお互いに平行にする
図形に寸法を記入するには、寸法線及び寸法補助線を用いるのが原則である。但し、寸法補助線を引き出すと図がまぎらわしくなる時は、図中に直接寸法線を引いてよい。
○ 端末記号の描き方
端末記号には矢印と黒丸、そして斜線の3種類があります(ただし黒丸については現国際規格にはありません)。この3種類の端末記号は、1つの図面の中で混用してはいけません。矢印は図のように開いていても閉じていても塗りつぶしていてもかまいません。角度は15°~90°の任意の開き角です。
• 寸法数字の記入
方法1としては、寸法数字は次のような向きに記入します。
・水平方向の寸法線に対して … 上向き
・垂直方向の寸法線に対して … 左向き
方法2として、寸法数字をすべて上向きにし、水平方向の寸法線は中断せず、それ以外の寸法線は中断してその間に寸法数字をはさんで記入する。
斜めの場合も、原則は同じです。図面の下側、または右側から読みやすいように記入します。ただし、垂直軸から反時計回りに30°以内の範囲は、描きにくいのでなるべく避けた方がよいでしょう。
○ 注意
寸法数字は、外形線などの線で切り離されたり、寸法線の交わる場所に来たりしないよう、注意して下さい。
悪い例
• 狭い場所の寸法記入
溝の幅など、数字の入らないような狭いところにも寸法を書かなくてはならない場合があります。この場合の描き方には、大きく分けて4つあります。 この中から、その場に最も適当な方法を選んで使ってください。
○ 寸法線を外側から端末記号で挟む
矢印の向きと数字の位置に注意して下さい。狭い部分が連続しているときには、矢印の代わりに黒丸または斜線を使うことができ、一方の端末記号を越えて延長した寸法線の上側に数字を配置することができます。
○ 部分拡大図を描いて局部の寸法を示す
○ 引出線を使って寸法を記入する
引出線を寸法線から斜め方向に引き出し、寸法数値を記入するか、引出線の端を水平に折り曲げ、その上に寸法数値を記入します。この場合、引出線の引き出す側の端には何も付けません。
○ 引出線について
加工方法、注記、部品の番号などを記入するために用いる引出線は、斜め方向に引き出す。この場合、引出線を、形状を表す線から引き出す場合には矢印を、形状を表す線の内側から引き出す場合には黒丸を、引き出した箇所に付ける。なお、注記などを記入する場合には、その端を水平に折り曲げ、その上に描く。
引出線を描くときは、次のことに注意して下さい。
円弧・曲線・穴の寸法記入
• 円弧の半径の寸法記入
○ 寸法線は円弧の中心から引き、円弧の側だけに矢印をつける
半径の記号「R」は、寸法数字の前に数字と同じ大きさで描きます。半径を示す寸法線を円弧の中心まで引く場合は「R」を省略することもできます。なおこのとき円弧の側にだけ矢印を付け、中心の側には付けません。
○ 半径が小さくて矢印や寸法を記入する余地がないとき
矢印や寸法を記入する余地がないときは、下図のいずれかを用います。
○ 半径が大きくて線が引きにくいとき
中心まで線を引くのが難しい場合は、下図のように中心を円弧の近くまで移動させます。寸法線は、Z型に折り曲げて描きます。ここでも「R」を使います。このとき、寸法線の矢印のついた部分は、正しい中心 の位置に向いていなければなりません。
• 弦・円弧の長さの寸法記入
弦の長さの寸法線 … 弦に平行な直線
円弧の長さの寸法線 … 該当する円弧と中心が同じ円弧
寸法数値の前に円弧記号 … 「⌒(えんこ)」を付ける
○ 特殊な例
連続して円弧の寸法を記入するときは、円弧の中心から放射状に引いた寸法補助線 に寸法線を当ててもよい。
2つ以上の同心円弧のうち、1つの円弧の長さを明示する必要がある場合は、引きだし線で指示します。引き出された円弧の側に矢印を付けます。
円弧の長さを表す寸法数値の後に、円弧の半径を( )に入れて示します。この場合には、円弧の長さの記号(⌒)を付けてはいけません。
• 曲線の寸法記入
○ 円弧で構成されている曲線の寸法記入
円弧で構成されている曲線の寸法は、一般には円弧の半径とその中心、または、円弧の接線の位置の組み合わせで表します。
○ 円弧で構成されていない曲線の寸法記入
円弧で構成されていない曲線の場合は、基準線から曲線の各部までの寸法で表します。
• 穴の寸法記入
○ 穴の加工方法を区別するとき
穴の加工方法を区別する必要がある場合には、工具の呼び寸法、または基準寸法を示し、その後加工方法の区別を加工方法の用語を規定しているJIS( 日本工業規格 )によって指示します。
○ 主な加工方法
○ 引出線を使って穴の寸法を表す場合
正面から見た図の場合、穴の外周から半径方向に引き出します。
断面図など横から見た図の場合、穴の中心線と外形線の交点から引き出します。
○ 貫通しないきり穴の場合
貫通しないきり穴の場合は、穴の深さも記入します。穴の深さの指示は、穴の直径を示す寸法の次に、穴の深さを示す記号“
”を記し、最後に穴の深さの数値を記入します。
○ 穴の寸法の表し方
ざぐり又は深ざぐりの表し方は、ざぐりを付ける穴の直径を示す寸法の前に、ざぐりを示す記号“
”に続けてざぐりの数値を記入します。なお、一般に平面を確保するために鋳造品、鍛造品などの表面を削り取る程度の場合でも、その深さを指示します。
また、深ざぐりの底の位置を反対側の面からの寸法を規制する必要がある場合には、その寸法線を表示してください。
皿ざぐり穴の表し方は、皿穴の直径を示す寸法の次に、皿ざぐり穴を示す記号“
”に続けて、皿ざぐり穴の入り口の直径の数値を記入します。皿ざぐり穴の深さの数値を規制する要求がある場合には、皿ざぐり穴の開き角及 び皿ざぐり穴の深さの数値を記入してください。
皿ざぐり穴が円形形状で描かれている図形に皿ざぐり穴を指示する場合には、内側の円形形状から引出線を引き出して、参照線の上側に皿ざぐり穴を示す記号“
”に続けて、皿穴の入り口の直径の数値を記入してください。
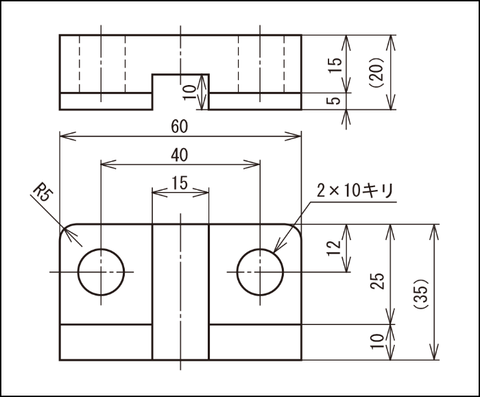
○ 同一寸法の穴の総数
同じ寸法の穴がたくさん並んでいるときは、省略図示を使って簡単に表せますね。穴の直径を示す寸法数字に「×」をはさんで、総数を示す数字を記入します。
○ 同一間隔で連続する同一寸法の穴の配置
角度・テーパ・こう配・面取りの寸法記入
• 角度の寸法記入
角度を記入する寸法線は、円弧で表します。角度を構成する2つの辺またはその延長線の交点を中心にして、両辺またはその延長線の間に引きます。
寸法数字は、下図のように記入します。必要なときには、右のように数字をすべて上向きに描くこともできます。
• テーパとこう配の寸法記入
○ テーパ
テーパとは、円柱の片側の直径が小さくなっている形状です。ちょうど、円錐の頭を切り落としたような形と思ってもらえばいいでしょう。
○ テーパの必要性
工具などは、工作機械から取り外して別の物と交換することが必要です。そのとき、工具の中心と、はめあう相手側の中心とが、正確に一致することが肝心です。テーパを使うとそれが簡単になります。そのため、いろいろな国で独自のテーパ規格が採用されてきました。
ナショナルテーパは、フライス盤の主軸の標準としてISOでも採用されています。
※ ISO = International Organization for Standardization(国際標準化機構)
○ テーパの指示の方法
テーパ比は、テーパをもつ形体の近くに参照線を用いて指示する。参照線は、テーパをもつ形体の中心線に平行に引き、引き出し線を用いて形体の外形線と結ぶ。
テーパ比と向きを特に明らかに示す必要がある場合には、テーパの向きを示す図記号を、テーパの方向と一致させて描く。
○ こう配
こう配は、傾きともいい、角度がついて斜めになっている形状のことです。
○ こう配の指示の方法
こう配はこう配をもつ形体の近くに参照線を用いて指示する。参照線は水平に引き、引出線を用いて形体の外形線と結ぶ。
こう配やテーパの向きが図か明らな場合は、図記号を省略してもいい。
こう配の向きを特に明らかに示す必要がある場合には、こう配の向きを示す図記号を、こう配の方向と一致させて描く。
• 面取りの寸法記入
品物の加工後、角の尖った部分がそのままでは取り扱うときに危険です。そこで、角を斜めに削り取る加工を行います。これが面取りです。普通、深さと角度で表しますが、いろいろな記入の方法があります。
角度が45°の場合だけは、「C」を使って記入することができます。「C」の後に深さを記入します。
もちろん面取りの寸法数値と角度45°で指示してもかまいません。
寸法記入上の注意事項
• 寸法記入の原則
○ (1) 主投影図に集中した寸法記入
寸法は、なるべく主投影図に集中して指示するようにします。主投影図に表せない寸法を平面図や側面図などに記入します。品物の形状を最もよく表すために、必要で十分な寸法を記入します。主投影図のほかに平面図や側面図がかかれているときは、比較対照に便利なように、なるべく関連する図形の中間に寸法を記入しておきます。
○ (2) 基準形体をもとにした寸法記入
加工や組立の時に基準となる形体がある場合には、寸法はその形体をもとにして記入します。製作者が図面を見て作業するときのためです。
基準であることを示す必要がある場合には、下図のように記入します。
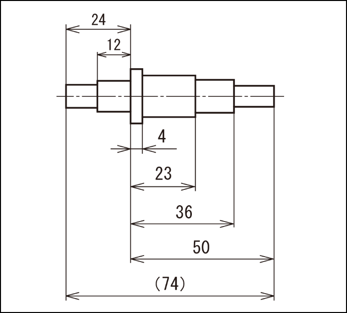
並列寸法記入法では、並列に記入する個々の寸法公差は、他の寸法公差に影響を与えません。この場合、共通側の寸法補助線の位置は、機能・加工などの条件を踏まえて適切に選びます。累進寸法記入法は、寸法公差に関して、並列寸法記入法と同等の意味を持ちながら1本の連続した寸法線で簡潔に表示できます。この場合、寸法の起点の位置は、起点記号(○)で示し、寸法線の他端には矢印を記入します。寸法数値は、寸法補助線に並べて記入するか、矢印の近くに寸法線の上側に沿って描きます。
○ (3) 加工工程を考えた寸法記入
品物の加工にいくつかの工程が必要な場合には、なるべく工程別に分けて寸法を記入します。それぞれの工程ごとに、作業する人が必要な寸法を読み取りやすいように配慮して記入します。下図の例では、旋盤加工、穴あけ加工の2工程が必要です。
○ (4) 計算する必要がないように寸法記入する
寸法を記入するときは、作業者が必要な寸法をすぐに読み取れて計算をする必要がないようにします。下図の「悪い例」のような図面では、作業の際に溝の幅を計算しなくてはならないため、作業効率が低下してしまいます。
○ (5) 関連する寸法記入
原則として、寸法は正面図に集中させるようにします。しかし、互いに関連する寸法は、なるべく1 箇所にまとめて記入します。下の例では、ボルト穴の中心円の直径、穴の寸法、穴の配置などは、互いに関連する寸法なので、中心円がかかれている側面図にまとめて記入します。
寸法を正面図にした図
関連する寸法をまとめた図
○ (6) 隣り合って連続する寸法記入
寸法がいくつも隣り合って連続する場合は、寸法線はなるべく一直線にそろえます。
○ (7) 面の交わり部に丸み・面取りのある寸法記入
互いに傾斜している2 つの面の間に丸みや面取りがあるときは、面の交わる部分を示してからでないと寸法を記入できません。
まず、丸みや面取りを施す前の形状を細い実線で表します。その交点から、寸法補助線を引き出して、寸法線、寸法数字を記入します。
交点を特に明示する必要がある場合には、黒丸か、または細線を少し余分に引いて交差させます。
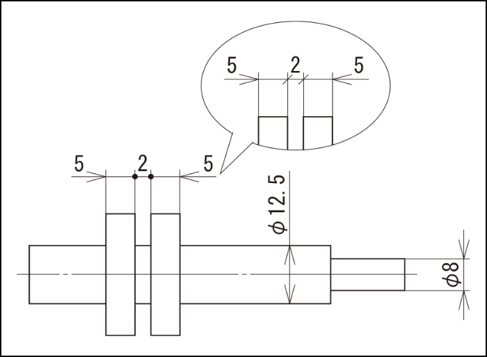
○ (8) 対称図形の寸法記入
直径の寸法が対称中心線の方向にいくつも並ぶ場合は、それぞれの寸法線をなるべく同じ間隔に引いて、小さい寸法を内側に、大きい寸法を外側にして寸法線を揃えて記入します。紙の大きさが足りないときは、寸法線の間隔を狭くして、寸法数字を対称中心線の両側に交互に記入することもできます。直径でない寸法の時も同様です。
対称図形の寸法記入
スペースが足りない場合
対称図形の片側を省略した図の場合には、寸法線は中心線を越えて適当に延長します。省略した側には、矢印はつけません。
対称図形にたくさんの直径の寸法を記入する場合には、寸法線の長さをさらに短くして、下図のように数段に分けて記入することもできます。
○ (9) 円弧の部分の寸法記入
円弧は原則として、中心角が180°までは半径で表し、180°を越える場合は直径で表します。
円弧が180°以内であっても、機能上または加工上、特に直径の寸法を必要とするものに対しては、直径の寸法を記入します。
○ (10) キー溝があるボスの内径の寸法記入
キー溝が断面にあらわれているボスの内径の描き方です。ここでも記号を使います。
○ (11) 寸法の重複記入について
寸法は、重複記入を避けます。ただし、相関連する図で、図の理解を容易にする場合には、寸法の重複記入をしても構いません。この場合、1枚の図中ではなく、別葉の図面に重複寸法がある場合は、重複寸法を意味する記号について図面に下図のように注記するなどしておくと、図面の訂正の際など変更漏れを防止できます。
○ 寸法記入の原則
どれも、図面を描きやすく解りやすくするための工夫や約束事です。ゆっくり身に付けてください。
• 特殊な寸法記入
○ 記号文字を用いる寸法記入
この例のように、基本的な形は同じで一部分の寸法だけが異なる場合には、寸法数字のかわりに記号文字を用いて、その数値を別に表示することもできます。
一つの部品で、形体の寸法が異なる場合には、下図のように文字記号を用いて指示し、個々の文字記号の寸法数値を図面中に指示することができます。
下図は基準箇所をもとにして穴の位置および直径を示したものですが、ごみごみしています。これを、記号文字と表を使って簡単に表すことができます。
座標による寸法記入(簡単な図)
設計変更などで、図面の一部の寸法数字が図と一致しない場合があります。このときには、寸法数字の下に太い実線を引いて、一致していないことを示します。ただし図の一部を省略してあるときには、一致していないことが解っていますので、この線は必要ありません。
寸法数字が図と一致しない寸法記入
このような特殊な方法も、描きやすく、解りやすくするため、という点では原則と同じです。
コメント