3-4 はめあい premium 視聴履歴 前の動画 次の動画 はめあいの種類 穴と軸が互いに組み合わせられる関係を「はめあい」といいます。穴と軸のはめあいには、穴の直径が軸の直径より大きい場合と、軸の直径が穴の直径より大きい場合があります。穴の方が軸より大きい場合は、その寸法の差を「すきま」といい、軸の方が大きい場合は、寸法の差を「しめしろ」といいます。はめあいには、穴と軸の大小関係によって3つの種類があります。 •すきまばめ 穴と軸の間にかならずすきまのある場合を、「すきまばめ」といいます。穴の最小許容寸法より軸の最大許容寸法が小さい場合です。この時に、穴の最小許容寸法から軸の最大許容寸法を引いた値を「最小すきま」といい、穴の最大許容寸法から軸の最小許容寸法を引いた値を「最大すきま」といいます。 用途 はめあわされたものがスライドしたり回転したりする場合や、簡単に取り外せるようにしたい場合。 < 例> クランク軸のすべり軸受け・重機アーム・カゴ •しまりばめ 穴と軸の間にかならずしめしろのある場合を、「しまりばめ」といいます。穴の最大許容寸法より軸の最小許容寸法が大きい場合です。この時、軸の最小許容寸法から穴の最大許容寸法を引いた値を「最小しめしろ」といい軸の最大許容寸法から穴の最小許容寸法を引いた値を「最大しめしろ」といいます。 用途 一度組み立てられたら通常は分解されることはない場合。 < 例> 軸と軸継手・車両の軸と車輪・車輪と外輪 •中間ばめ すきまばめとしまりばめの中間を、「中間ばめ」といいます。穴と軸の実寸法によって、すきまができたりしめしろができたりする場合です。つまり、穴の最小許容寸法より軸の最大許容寸法が大きく、同時に穴の最大許容寸法より軸の最小許容寸法が小さいのです。すきまばめになる場合もしまりばめになる場合もあるということです。 用途 遊びやガタがないように組み付けられるが、取り外すこともあるという場合。 < 例> キーとキー溝 IT 基本公差 JISで定められている寸法公差は、「IT 基本公差」と呼ばれています。IT とは、「International Tolerance」の略です。JISでは3,150mm以下の寸法をいくつかに分けて、下表のようにその区分ごとに寸法公差を決めています。当然、寸法が大きくなると寸法公差も大きくなるように決められています。そして、同じ区分に属する寸法には、同じ寸法公差が与えられています。これを基本公差といって、JIS には IT1 から IT18 までが示されています。 注)公差等級(IT)14~18は、基準寸法1mm 以下には通用しない。 それぞれの等級は、だいたい次のように適用されます。目安として見ておいてください。 IT1〜IT4 ... 高い精度を要求されるゲージ類のはめあい IT5〜IT10 ... 一般的な穴や軸などのはめあわされる部分 ( 穴はIT6〜10 が多く用いられる) ( 軸はIT5〜9 が多く用いられる) IT11~IT18 ... はめあわされない部分 穴と軸の種類 同じ基準寸法、同じ等級でもそれぞれの基準寸法に対する上下の寸法許容差の位置によってはめあいは変わってきます。図のように、最大・最小の許容寸法の間、つまり寸法公差に当たる領域を、公差域と言います。基準寸法とIT 等級が同じであれば、公差域の大きさは一律に決められます。しかし、公差域の位置はアルファベットの記号によっていくつか規定されています。 公差域の位置というのは、基準寸法からの距離ということです。穴の公差域の位置は大文字のアルファベット、軸は小文字のアルファベットで表されます。穴はAからZC、軸はaからzcがありますが、I、L、O などまぎらわしいものは使いません。穴の場合、H が基準寸法と一致していて、Bなどは基準寸法より大きく、ZCは小さくなります。軸の場合はhが基準寸法と一致して、bが細く、zcが太くなります。 • 公差域クラス 公差域の位置の記号と公差等級の数を組み合わせて、「H7」や「g6」といった表し方をします。これを「公差域クラス」といい、その記号を寸法公差記号といいます。穴または軸として単独での公差域の大きさと位置を規定するもので、はめあわせた物を呼んでいるのではありません。 ○ 穴の表示 穴の直径を表す基準寸法の後に、穴の種類を示す大文字の記号と、等級を表す数字とを記入します。 数字の大きさは、基準寸法を示す数字の大きさと同じです。この例は、直径が40mmのH穴で、IT等級は6 級です。 下の表で、具体的に寸法を調べてみましょう。寸法の区分は40mmなので、「30mmを超え40mm以下」の欄を見ます。公差域の位置はH6ですから、交差する位置を読み、上の寸法許容差が16μm、下の寸法許容差が0です。ですから、公差域の大きさは16μm、穴の大きさは40.000mmから40.016mmの範囲にあれば良いということです(※付録に全データ掲載)。 ○ 軸の表示 軸の直径を表す基準寸法の後に軸の種類を示す小文字の記号と、等級を表す数字とを記入します。数字の大きさは、基準寸法を示す数字の大きさと同じです。この例は、直径が30mmのh軸で、IT 等級は6 級です。 穴の場合と同じように、下の表で具体的に寸法を調べてみましょう。上の寸法許容差が 0、下の寸法許容差が-13μmと読み取れます。ですから、公差域の大きさは13μm、30.000mmから29.987mmの範囲にある軸ということになります。 ○ その他 必要のある場合には、公差域クラスの後に、小さい字で上下の寸法許容差を付け加えることもできます。左記のように( )で囲みます。この軸はK6という公差域クラスが書かれていますので、調べれば上の寸法許容差が18μm、下が2μmと解りますが、具体的に記入してあると寸法チェックの時に便利です。また、記号を使わずに寸法許容差だけを描くこともできます。この場合は、( ) はいりません。 はめあい方式の種類 はめあい部分の寸法は、穴と軸の適正な組み合わせで決まります。このとき、穴を基準にするか、軸を基準にするかで、2 種類のはめあい方式があります。穴の公差域クラスをどれか一つに決めて、それに対応する軸の公差域クラスを各種の中から選んでゆく方法を「穴基準」といいます。逆に、軸の公差域クラスを決めて、それに対応する穴の公差域クラスを選んでゆく方法を「軸基準」といいます。 ○ 穴基準はめあい 下の寸法許容差が0になる穴、つまり公差域がHの穴を基準に、これにいろいろな公差域クラスを持つ軸を組み合わせて、必要な「すきま」や「しめしろ」のあるはめあいを作ります。 ○ 軸基準はめあい 上の寸法許容差が0になる軸、つまり公差域がhの軸を基準に、これにいろいろな公差域クラスを持つ穴を組み合わせて、必要な「すきま」や「しめしろ」のあるはめあいを作ります。 2つの方法には、それぞれ特徴があります。一般的には、穴よりも軸の方が加工しやすく、測定も簡単です。指定した公差域クラスの軸を比較的容易に作れます。ですから、加工の難しい穴を基準にして軸の方を組み合わせる穴基準はめあい方式の方が多く使われています。 • 多く用いられるはめあい 穴と軸の公差域クラスは、必要に応じてどのように組み合わせても構いませんが、工業界で多く用いられるはめあいの例がJISに示されています。 次の表は、多く用いられる穴基準はめあいと軸基準はめあいの表です。 <多く用いられる穴基準はめあい> *これらのはめあいは、寸法の区分によっては例外を生じる。(JIS B 0401‑1:1998による) <多く用いられる軸基準はめあい> *これらのはめあいは、寸法の区分によっては例外を生じる。(JIS B 0401-1:1998による) 穴・軸の寸法許容差の求め方 この寸法について、寸法許容差を見てみましょう。この例は、すきまばめです。 1 )穴の表(付録1)で基準寸法30mmに対する6級穴の寸法許容差を探します。 →24mmから30mmの寸法区分の欄とH6の欄交わるところを見ます。 →上の寸法許容差=+0.013mm →下の寸法許容差=0mm 2)軸の表(付録2)で基準寸法30mmに対する6級軸の寸法許容差を探します。 →24mmから30mmの寸法区分の欄とg6の欄交わるところを見ます。 →上の寸法許容差=−0.007mm →下の寸法許容差=−0.020mm 3)まとめ 穴 最大許容寸法 30.000+0.013=30.013 最小許容寸法 30.000+0 =30.000 軸 最大許容寸法 30.000+(− 0.007)=29.993 最小許容寸法 30.000+(− 0.020)=29.980 最大すきま 30.013−29.980=0.033(mm) 最小すきま 30.000−29.993=0.007(mm) 図への記入 • 公差域クラスの記入 はめあい方式によって寸法許容差を図面に記入するには、基準寸法のあとに穴• 軸の公差域クラスを示す寸法公差記号を記入します。この場合、下図に示すように、記号文字の大きさは基準寸法を示す数字の大きさと同じ大きさになります。 • はめあいの状態にある図への記入 穴と軸がはめあいの状態にある図で、穴と軸に対するはめあい部の寸法公差記号を併記する必要があるときは、下図に示すように、基準寸法の次に穴の寸法公差記号を上側に、軸の寸法公差記号を下側に記入します。 • 公差域クラスと上下の寸法許容差の併記 必要に応じて、寸法公差記号に続けて上と下の寸法許容差を( ) を付けて併記しても構いません。 コメント 製作図 3-1 寸法の表示… 3-1… 3-2 表面性状の指示… 3-2… 3-3 寸法公差… 3-4 はめあい… 3-4… 3-5 幾何公差… 3-6 図面の書式…
はめあいの種類
穴と軸が互いに組み合わせられる関係を「はめあい」といいます。穴と軸のはめあいには、穴の直径が軸の直径より大きい場合と、軸の直径が穴の直径より大きい場合があります。穴の方が軸より大きい場合は、その寸法の差を「すきま」といい、軸の方が大きい場合は、寸法の差を「しめしろ」といいます。はめあいには、穴と軸の大小関係によって3つの種類があります。
•すきまばめ
穴と軸の間にかならずすきまのある場合を、「すきまばめ」といいます。穴の最小許容寸法より軸の最大許容寸法が小さい場合です。この時に、穴の最小許容寸法から軸の最大許容寸法を引いた値を「最小すきま」といい、穴の最大許容寸法から軸の最小許容寸法を引いた値を「最大すきま」といいます。
用途
はめあわされたものがスライドしたり回転したりする場合や、簡単に取り外せるようにしたい場合。
< 例>
クランク軸のすべり軸受け・重機アーム・カゴ
•しまりばめ
穴と軸の間にかならずしめしろのある場合を、「しまりばめ」といいます。穴の最大許容寸法より軸の最小許容寸法が大きい場合です。この時、軸の最小許容寸法から穴の最大許容寸法を引いた値を「最小しめしろ」といい軸の最大許容寸法から穴の最小許容寸法を引いた値を「最大しめしろ」といいます。
用途
一度組み立てられたら通常は分解されることはない場合。
< 例>
軸と軸継手・車両の軸と車輪・車輪と外輪
•中間ばめ
すきまばめとしまりばめの中間を、「中間ばめ」といいます。穴と軸の実寸法によって、すきまができたりしめしろができたりする場合です。つまり、穴の最小許容寸法より軸の最大許容寸法が大きく、同時に穴の最大許容寸法より軸の最小許容寸法が小さいのです。すきまばめになる場合もしまりばめになる場合もあるということです。
用途
遊びやガタがないように組み付けられるが、取り外すこともあるという場合。
< 例>
キーとキー溝
IT 基本公差
JISで定められている寸法公差は、「IT 基本公差」と呼ばれています。IT とは、「International Tolerance」の略です。JISでは3,150mm以下の寸法をいくつかに分けて、下表のようにその区分ごとに寸法公差を決めています。当然、寸法が大きくなると寸法公差も大きくなるように決められています。そして、同じ区分に属する寸法には、同じ寸法公差が与えられています。これを基本公差といって、JIS には IT1 から IT18 までが示されています。
注)公差等級(IT)14~18は、基準寸法1mm 以下には通用しない。
それぞれの等級は、だいたい次のように適用されます。目安として見ておいてください。
IT1〜IT4 ... 高い精度を要求されるゲージ類のはめあい
IT5〜IT10 ... 一般的な穴や軸などのはめあわされる部分
( 穴はIT6〜10 が多く用いられる)
( 軸はIT5〜9 が多く用いられる)
IT11~IT18 ... はめあわされない部分
穴と軸の種類
同じ基準寸法、同じ等級でもそれぞれの基準寸法に対する上下の寸法許容差の位置によってはめあいは変わってきます。図のように、最大・最小の許容寸法の間、つまり寸法公差に当たる領域を、公差域と言います。基準寸法とIT 等級が同じであれば、公差域の大きさは一律に決められます。しかし、公差域の位置はアルファベットの記号によっていくつか規定されています。
公差域の位置というのは、基準寸法からの距離ということです。穴の公差域の位置は大文字のアルファベット、軸は小文字のアルファベットで表されます。穴はAからZC、軸はaからzcがありますが、I、L、O などまぎらわしいものは使いません。穴の場合、H が基準寸法と一致していて、Bなどは基準寸法より大きく、ZCは小さくなります。軸の場合はhが基準寸法と一致して、bが細く、zcが太くなります。
• 公差域クラス
公差域の位置の記号と公差等級の数を組み合わせて、「H7」や「g6」といった表し方をします。これを「公差域クラス」といい、その記号を寸法公差記号といいます。穴または軸として単独での公差域の大きさと位置を規定するもので、はめあわせた物を呼んでいるのではありません。
○ 穴の表示
穴の直径を表す基準寸法の後に、穴の種類を示す大文字の記号と、等級を表す数字とを記入します。
数字の大きさは、基準寸法を示す数字の大きさと同じです。この例は、直径が40mmのH穴で、IT等級は6 級です。
下の表で、具体的に寸法を調べてみましょう。寸法の区分は40mmなので、「30mmを超え40mm以下」の欄を見ます。公差域の位置はH6ですから、交差する位置を読み、上の寸法許容差が16μm、下の寸法許容差が0です。ですから、公差域の大きさは16μm、穴の大きさは40.000mmから40.016mmの範囲にあれば良いということです(※付録に全データ掲載)。
○ 軸の表示
軸の直径を表す基準寸法の後に軸の種類を示す小文字の記号と、等級を表す数字とを記入します。数字の大きさは、基準寸法を示す数字の大きさと同じです。この例は、直径が30mmのh軸で、IT 等級は6 級です。
穴の場合と同じように、下の表で具体的に寸法を調べてみましょう。上の寸法許容差が 0、下の寸法許容差が-13μmと読み取れます。ですから、公差域の大きさは13μm、30.000mmから29.987mmの範囲にある軸ということになります。
○ その他
必要のある場合には、公差域クラスの後に、小さい字で上下の寸法許容差を付け加えることもできます。左記のように( )で囲みます。この軸はK6という公差域クラスが書かれていますので、調べれば上の寸法許容差が18μm、下が2μmと解りますが、具体的に記入してあると寸法チェックの時に便利です。また、記号を使わずに寸法許容差だけを描くこともできます。この場合は、( ) はいりません。
はめあい方式の種類
はめあい部分の寸法は、穴と軸の適正な組み合わせで決まります。このとき、穴を基準にするか、軸を基準にするかで、2 種類のはめあい方式があります。穴の公差域クラスをどれか一つに決めて、それに対応する軸の公差域クラスを各種の中から選んでゆく方法を「穴基準」といいます。逆に、軸の公差域クラスを決めて、それに対応する穴の公差域クラスを選んでゆく方法を「軸基準」といいます。
○ 穴基準はめあい
下の寸法許容差が0になる穴、つまり公差域がHの穴を基準に、これにいろいろな公差域クラスを持つ軸を組み合わせて、必要な「すきま」や「しめしろ」のあるはめあいを作ります。
○ 軸基準はめあい
上の寸法許容差が0になる軸、つまり公差域がhの軸を基準に、これにいろいろな公差域クラスを持つ穴を組み合わせて、必要な「すきま」や「しめしろ」のあるはめあいを作ります。

2つの方法には、それぞれ特徴があります。一般的には、穴よりも軸の方が加工しやすく、測定も簡単です。指定した公差域クラスの軸を比較的容易に作れます。ですから、加工の難しい穴を基準にして軸の方を組み合わせる穴基準はめあい方式の方が多く使われています。
• 多く用いられるはめあい
穴と軸の公差域クラスは、必要に応じてどのように組み合わせても構いませんが、工業界で多く用いられるはめあいの例がJISに示されています。
次の表は、多く用いられる穴基準はめあいと軸基準はめあいの表です。
<多く用いられる穴基準はめあい>
*これらのはめあいは、寸法の区分によっては例外を生じる。(JIS B 0401‑1:1998による)
<多く用いられる軸基準はめあい>
*これらのはめあいは、寸法の区分によっては例外を生じる。(JIS B 0401-1:1998による)
穴・軸の寸法許容差の求め方
この寸法について、寸法許容差を見てみましょう。この例は、すきまばめです。
1 )穴の表(付録1)で基準寸法30mmに対する6級穴の寸法許容差を探します。
→24mmから30mmの寸法区分の欄とH6の欄交わるところを見ます。
→上の寸法許容差=+0.013mm
→下の寸法許容差=0mm
2)軸の表(付録2)で基準寸法30mmに対する6級軸の寸法許容差を探します。
→24mmから30mmの寸法区分の欄とg6の欄交わるところを見ます。
→上の寸法許容差=−0.007mm
→下の寸法許容差=−0.020mm
3)まとめ
穴 最大許容寸法 30.000+0.013=30.013
最小許容寸法 30.000+0 =30.000
軸 最大許容寸法 30.000+(− 0.007)=29.993
最小許容寸法 30.000+(− 0.020)=29.980
最大すきま 30.013−29.980=0.033(mm)
最小すきま 30.000−29.993=0.007(mm)
図への記入
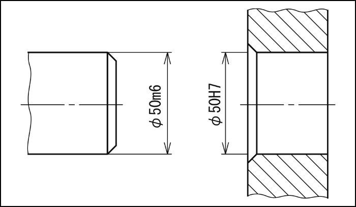
• 公差域クラスの記入
はめあい方式によって寸法許容差を図面に記入するには、基準寸法のあとに穴• 軸の公差域クラスを示す寸法公差記号を記入します。この場合、下図に示すように、記号文字の大きさは基準寸法を示す数字の大きさと同じ大きさになります。
• はめあいの状態にある図への記入
穴と軸がはめあいの状態にある図で、穴と軸に対するはめあい部の寸法公差記号を併記する必要があるときは、下図に示すように、基準寸法の次に穴の寸法公差記号を上側に、軸の寸法公差記号を下側に記入します。
• 公差域クラスと上下の寸法許容差の併記
必要に応じて、寸法公差記号に続けて上と下の寸法許容差を( ) を付けて併記しても構いません。
コメント